Cold Glue Spray Machine

  • Cold Glue Spray Machine

Cold Glue Spray Machine

Kendalikan biaya dengan pengoperasian mesin yang mudah. Rasakan fleksibilitas dan jaminan kualitas terbaik. Selamat tinggal cara lama – sambut masa depan!

Got questions ? Please contact:

Description

Specification
No.Items & SpecificationQTYRemark
1HZ4 Intelligent Controller1 SetFour channel
2HB6 High-pressure pneumatic piston pump1 Set
3Aviation Plug Line3 Set
4Incremental Encoder1 Set
5Hardware Holder of Encoder1 Set
65M Optical Tracker3 SetOptional
7High Pressure Venturi1 Set
8Wheelbarrow1 Set
9PJ-4000 Gun3 SetOptional
10Hardware Holder of Gun1 Set
11Cantilever Support1 Set
 Cold Glue Gun Grafa
1. HZ4 Intelligent Controller
  • Dapat dihubungkan dengan delapan pistol lem, pistol dapat menerima sinyal melalui mata listrik 1 hingga 4 untuk pengoperasiannya.
  • Kita juga dapat memilih penyemprotan dalam bentuk titik-titik atau garis untuk mencapai jumlah lem minimum dan kekuatan perekatan yang terkuat. Pistol ini dapat diatur untuk menyemprotkan hingga 8 segmen lem dalam satu kali pemakaian.
  • User-Friendly Graphical Interface, dilengkapi dengan layar sentuh berukuran 8 inci (4 saluran) atau 12 inci (8 saluran), memudahkan operator untuk memahaminya dengan mudah, sederhana, dan nyaman.
2. PJ-4000 Electric Spray Gun
  • Tombol-tombol kecilnya dapat dengan mudah dikendalikan untuk mengelem secara manual.
    Jenis-jenis nozzle yang umum digunakan memudahkan penggunaannya mulai dari kotak karton kecil hingga karton bergelombang yang besar.
3. HB6 High-Pressure Pneumatic Piston Pump
  • Pompa piston bertekanan tinggi dengan proses manufaktur yang canggih, kokoh, dan solid, mampu mengangkut hingga 32 bar perekat berbasis air berkepadatan menengah.
  • Sistem kontrol elektronik berpresisi tinggi memastikan tekanan perekat yang dihasilkan stabil dan dapat diandalkan.
    Bagian-bagian kontak pompa terbuat dari stainless steel berkualitas tinggi yang diimpor dan cincin untuk memastikan efek segel yang sempurna dan masa pakai yang panjang.
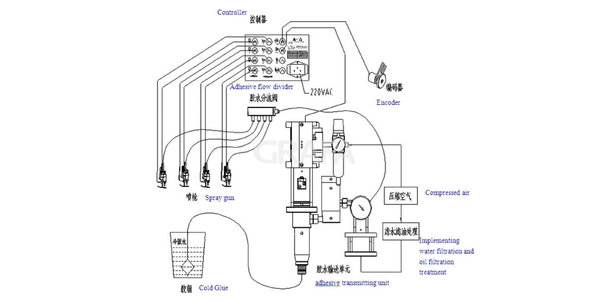
Operating Principle
Cold Glue Gun Grafa Operating Principle
Technical Data
Specification
VoltageAC220V(±20%) 50~60HZ
Power480W
Working Frequency of Spray Gun ≤ 500 cycles / sec
Air Source Input Pressure6 MPA ( dry and Clean )
Adhesive Viscosity700~2000 mPas
Adhesive Pressure5~20 bar
Operating Rate≤300 m/min
Working Accuracy±1mm(speed is less then 100 m / min)
Number of Spray GunOptional, up to4
Number of Electric EyeOptional, up to4

Related Product